Wenzhou Joepai Valve Co., Ltd.
Wenzhou Joepai Valve Co., Ltd.
Nouvelles

Nouvelles

Pourquoi notre robinet à bille haute pression en acier forgé 3 pièces économique est un bon choix ?

Qu'est-ce qu'un robinet à tournant sphérique haute pression en acier forgé 3 pièces ?

A Robinet à boisseau sphérique haute pression en acier forgé 3 piècesfait référence à un robinet à tournant sphérique à haute résistance avec une structure de corps en trois parties reliées par des boulons. Son élément de fermeture est une bille usinée avec précision, qui tourne autour de l'axe central du corps de vanne par la tige de vanne pour obtenir une fermeture, une distribution ou une commutation de débit rapide du fluide.


Description du produit

Les robinets à tournant sphérique en acier forgé en 3 pièces sont faciles à utiliser, compacts, scellés de manière fiable, de structure simple et faciles à entretenir. La surface d'étanchéité et la bille sont toujours fermées, ce qui les rend moins sensibles à l'érosion par le fluide. Ils sont largement utilisés dans diverses industries.

Le corps de la vanne est formé à l'aide d'un processus de forgeage et le matériau peut être de l'acier inoxydable (tel que F304, F316) ou de l'acier au carbone (tel que A105). Les matériaux en acier forgé présentent des caractéristiques telles qu'une structure dense, d'excellentes propriétés mécaniques et une forte résistance aux chocs, ce qui les rend particulièrement adaptés aux conditions de travail à haute pression et à haute résistance.

Selon les besoins du système de canalisations, diverses méthodes de connexion peuvent être sélectionnées, telles que la connexion filetée (NPT, BSP-P (G), BSPT (Rc)), le soudage bout à bout (BW), le soudage par emboîtement (SW) g ou la connexion par bride, offrant une installation flexible et une forte adaptabilité.

La pression de conception peut atteindre jusqu'à 1 500 lb, ce qui la rend adaptée aux systèmes de transport à haute pression dans des domaines tels que le pétrole, l'industrie chimique et le gaz naturel.


Normes de robinet à tournant sphérique en acier forgé en 3 pièces :

1) Normes de conception et de fabrication : BS5351, MSS SP-118

2) Dimensions d'extrémité de connexion : ANSI B16.10, JB/T1715

Dimensions des extrémités à souder : ANSI B16.11, JB/T1715

Dimensions de l'extrémité filetée : ANSI B1.12.1, JB/T7306

Dimensions des extrémités soudées bout à bout : ANSI B16.25, JB/T12224

3) Tests et inspection : API 598

4) Normes matérielles : ANSI/ASTM


3-Piece Forged Steel High-pressure Ball Valve


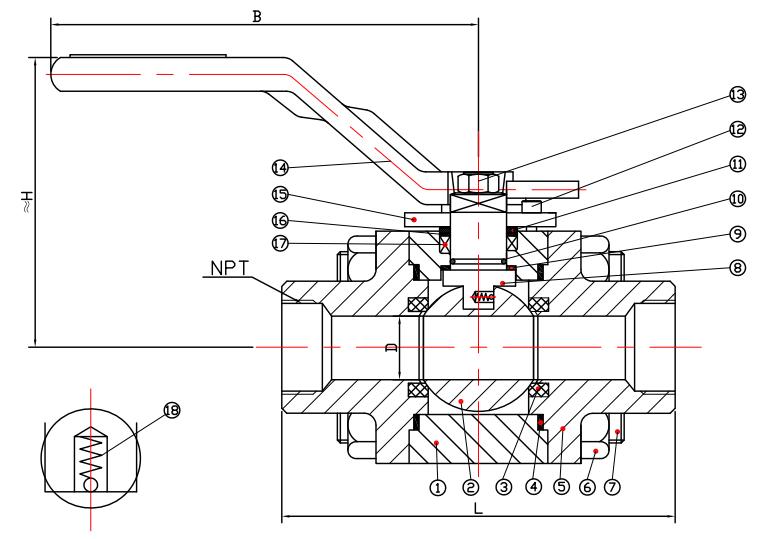
Tableau des matériaux principaux :

Non. Nom de la pièce Acier au carbone Acier inoxydable
1 Corps A105 F304 F304L F316 F316L
2 Balle SS304 F304 SS304L SS316 SS316L
3 Siège PTFE, RPTFE
4 Joint SS304/SS316 + Graphite
5 Capuchon A105 F304 F304L F316 F316L
6 Noix A194-2H A194-8 A194-8M
7 Boulon A193-B7 A193-B8 A193-B8M
8 Tige SS304 F304 SS304L SS316 SS316L
9 Rondelle de butée PTFE, RPTFE
10 Joint torique Viton
11 Glande SS304 SS304 SS304 SS316 SS316
12 Boulon 1035
13 Noix Acier inoxydable
14 Poignée WCB、Acier inoxydable
15 Plaque limitée 1025
16 Prévenir l'anneau de feu SS304, SS316
17 Emballage Graphite
18 Printemps SS304, SS316


Tableau des dimensions principales :

DNmm NPS (pouces) Lmm Dmm Hmm
15 1/2" 92 13 66
20 3/4" 112 19 72
25 1" 126 24 100
32 11/4" 129 30 105
40 11/2" 152 38 112
50 2" 176 49 122


3-Piece Forged Steel High-pressure Ball Valve3-Piece Forged Steel High-pressure Ball Valve3-Piece Forged Steel High-pressure Ball Valve3-Piece Forged Steel High-pressure Ball Valve



Garantie de fabrication professionnelle – Wenzhou Joepai Valve Co., Ltd.

En tant qu'entreprise spécialisée dans la recherche, le développement et la fabrication de robinets à tournant sphérique en acier inoxydable et en acier au carbone,Wenzhou Joepai Valve Co., Ltd.est située dans le parc industriel de Binhai, dans le district de Longwan, à Wenzhou, surnommée « la ville chinoise des valves ». L'entreprise dispose d'une base de production moderne et d'un système complet de contrôle de qualité. L'entreprise est équipée de :

Centre de R&D professionnel et équipements d'usinage CNC

Instruments de test avancés (tels que des instruments informatiques d'analyse multi-éléments, des testeurs de dureté Leeb et des jauges d'épaisseur)

Machines d'essais de pression, machines d'essais de cycle de vie et autres plates-formes d'essais de processus complets

S'appuyant sur des processus rigoureux et une innovation continue, Joepai Valve garantit que chaque robinet à tournant sphérique haute pression en acier forgé 3PC répond à des exigences de performance élevées, offrant aux clients un service sûr, fiable etsolutions de vannes durables.


Actualités connexes
Laissez-moi un message
X
Nous utilisons des cookies pour vous offrir une meilleure expérience de navigation, analyser le trafic du site et personnaliser le contenu. En utilisant ce site, vous acceptez notre utilisation des cookies. politique de confidentialité
Rejeter Accepter