Wenzhou Joepai Valve Co., Ltd.
Wenzhou Joepai Valve Co., Ltd.
Nouvelles

Nouvelles

JOEPAI lance de nouvelles vannes de bouche d'incendie économiques en acier inoxydable 304 – Une résistance supérieure à la corrosion est conforme aux normes AS2419.2

JOEPAIest fier de présenter sa dernière innovation en matière d'infrastructure de protection incendie : leNouvelle gamme deVannes de bouche d'incendie en acier inoxydable 304. Conçues pour la durabilité, la conformité et la valeur, ces vannes offrent unalternative supérieure aux modèles traditionnels en laiton— offrant une résistance améliorée à la corrosion à un prix plus compétitif.

Conçu conformément àAS/NZS2419.2:2009, les nouvelles vannes de bouche d'incendie sont idéales pour une large gamme d'applications, y compris les systèmes d'incendie commerciaux, industriels et résidentiels, en particulier dansenvironnements agressifs tels que la marine et l'exploitation minière.


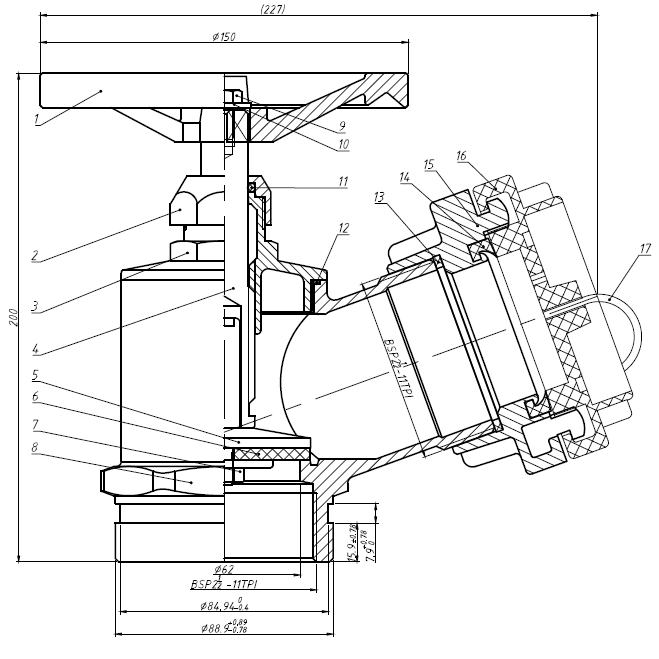
Stainless Steel 304 Fire Hydrant Valves

Points forts du produit :

Type de filetage: Adaptateur Storz forgé BSP coudé de 65 mm avec capuchon en plastique UV

Type d'entrée: Rouleau de 80 mm rainuré

Qualité du matériau: Corps, capot, disque, écrou en CF8 (SS304) ; Tige en SS316 pour une solidité accrue

Matériau du joint: Caoutchouc NBR pour des performances fiables et étanches

Volant: Fonte HT200 résistante

Finition: Revêtement peint rouge haute visibilité

Pression de service: 1 400 kPa

Pression d'essai hydrostatique: 2 700 kPa

Pression d'essai d'étanchéité à l'air: 800 kPa

Garantie: 12 mois


Conformité technique :

Conçu et testé pourAS2419.2-2009

Fonctionnement fluide du volant sans blocage après l'assemblage

100 % inspecté et testé - aucun défaut après les tests hydrostatiques et d'étanchéité à l'air


Pourquoi choisir le SS304 plutôt que le laiton ?

Meilleure résistance à la corrosion: Idéal pour les environnements difficiles où le laiton peut se dégrader avec le temps

Rentable: Offre une solution plus abordable sans compromis sur la qualité ou les performances

Léger mais solide: Plus facile à manipuler et à installer tout en préservant l’intégrité structurelle


Autres configurations disponibles :

65 mm NSW mâle x 80 mm rainuré en rouleau

65 mm CFA mâle x 80 mm rainuré en rouleau

QRT mâle 65 mm x BSP mâle 65 mm

Rouleau de 65 mm BI x 80 mm rainuré

QRT mâle 65 mm x rouleau de 80 mm rainuré

Adaptateur Storz 65 mm x BSP mâle 65 mm

Que vous mettiez à niveau un système existant ou que vous précisiez un nouveau projet, les nouvelles vannes d'incendie SS304 de JOEPAI offrent laéquilibre parfait entre performance, conformité et prix abordable.

Contactez-nous aujourd'huipour en savoir plus ou demander un devis.

Actualités connexes
Laissez-moi un message
X
Nous utilisons des cookies pour vous offrir une meilleure expérience de navigation, analyser le trafic du site et personnaliser le contenu. En utilisant ce site, vous acceptez notre utilisation des cookies. politique de confidentialité
Rejeter Accepter